MachineryOffers

Dytrees CNC USB MACH3 100Khz output board mach3 board 4 axis motion driver interface controller

Product details
Origin:Guangdong, ChinaMechanical test report:if
interface:USB+RS232 communication interfaceShowroom location:not any
port:denseApplicable industries:Mechanical repair shop, manufacturing plant, printing plant, others, motion controller
axis:4 axisWarranty:1 year
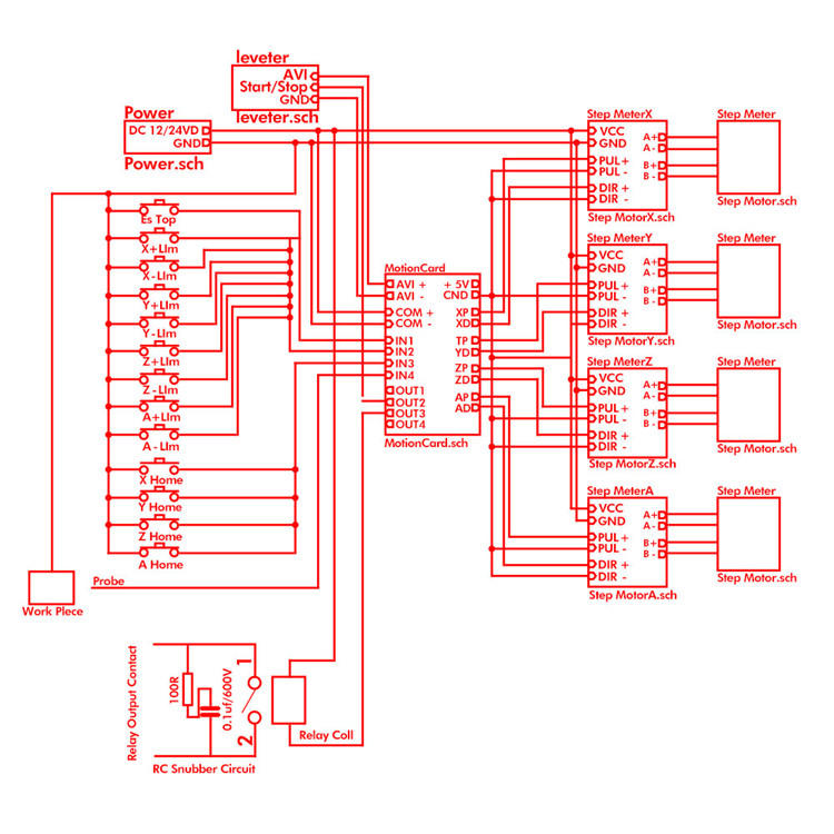
Packaging Details:Boxproduct name:Mach3 CNC motion control card
Function:PLC+ tool magazinepayment terms:L/C, Western Union, D/A, T/T, MoneyGram
application:Motion Controllersystem:Mach 3
Health status:newWeight (KG):0.2
port:usb portMarketing Type:2020 New Products
Supply capacity:4000 pieces per monthVideo outbound inspection:if
brand:double treeCore components:other
Product Description
describe:
1. Support 4-axis linkage, can connect 4 stepper motor drivers or servo drivers;
2. The maximum stepping pulse frequency is 100KHz, suitable for servo or stepping motors;
3. Support automatic probe tool
4. Support emergency input
5. Support limit switch
6. Support the connection of electronic handwheel
7. An external 24V DC power supply is required to isolate the USB and external ports to make the system more stable
8. With 0-10V output port, you can use mach3 software to control the spindle motor speed.
9. 4 general-purpose inputs, which can be connected to limit switches, emergency stop switches, probe switches, zero return and other equipment
10. 4 general-purpose isolated relay drive output interfaces, which can drive 4 relays to control the spindle start and forward rotation
Rotary, reverse, pump and other devices
11. 1 status LED, indicating the connection status on the board
VIEW MORE