MachineryOffers

XKC-C352 AC110-250V water automatic irrigation and drainage controller with liquid level detection sensor automatic water control

Product details
Input voltage:AC 110V-220Vtheory:liquid level control switch
Sales unit:single productusage:Level Control
Installation type:screw fixeddescribe:Automatic filling and draining, level controllers and sensors
aspect:115*90*40mmWorking current:≤7A
type:Liquid level controllerOrigin:Guangdong, China
series:water level controllerfeature:automatic water level control
Gross weight per piece:0.500 kgbrand:Star Technology Innovation
output method:Relay normally open contactoutput:switch output
Packaging Details:PE bag, single package, 500pcs/cartonSingle package size:20X20X20 cm
Sensor interface voltage:DC12Vmodel:XKC-C352
Product Description

 

1 day. overview
XKC-C352 intelligent non-contact liquid level controller and XKC-Y25-V liquid level sensor realize the function
Liquid level control: when the liquid level of the container is too low, the controller sends a low liquid level alarm signal
The low liquid level sensor triggers the C352 controller to close the relay to start the water pump to add liquid
Liquid level, when the liquid level reaches a certain height, the high level liquid level sensor sends a signal to trigger C352
The controller disconnects the relay to automatically stop the circulation of the water pump. Therefore, the function
Realize the automatic control of the liquid level of the container and keep the liquid level of the container stable.
2. Product Features
1. AC180V~250V power supply
2. Relay dry node output, suitable for various load control
3. Various control methods, the pump can be controlled manually or automatically
4. The installation is simple and convenient, and can be installed with screws or electric box rails
third. product model
XKC-C352-1P, (with 1 sensor);
XKC-C352-2P, (with 2 sensors);
XKC-C352-3P, (with 3 sensors); ingress protection, or overflow protection
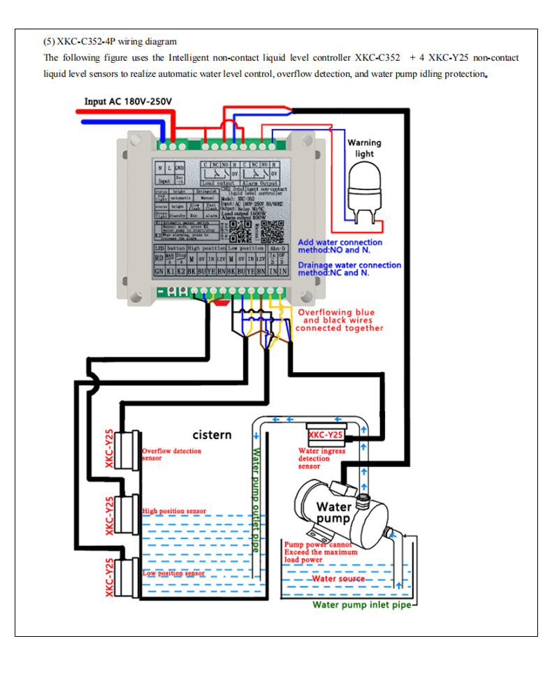
XKC-C352-4P, (with 4 sensors); ingress protection and overflow protection
 
 
VIEW MORE