MachineryOffers

Paper bag handle rope making machine

Product details
Paper Patch Length:150mm or 190mm;Max. Paper Roll Diameter:1000mm;
Dimension(L*W*H):5600*1400*1800mm;Paper Patch Width:40mm;
Warranty:1 Year;Weight:2000kg;
Paper Roll Core Diameter:76mm;Computerized:Yes;
Bag Type:Shopping Bag;Delivery Detail:0 days after payment;
Max. Production Speed:6000pairs/hour;Applicable Industries:Manufacturing Plant;
Package Type:Wooden pallet wooden case other you required;Certification:CE;
Machine Type:Bag Forming Machine;Voltage:380V, 3 phases, 5 wires;
Brand Name:ROYAL;Place of Origin:Zhejiang China (Mainland);
Material:Paper;Single package size:1X1X1 cm;
Model Number:RYSB-100B;After-sales Service Provided:Online support,Video technical support,Field installation, commissioning and training;
Single gross weight:2,200 KG;Selling Units:Single item;
Condition:New;
Product Description

Brief Introduction

This machine is mainly supporting semi-automatic paper bag machines. It can quickly produce flat paper handle, which can be attached onto the paper bag without handles in further production and make it into paper handbags. This machine takes three paper rolls as raw material and pastes paper patch and flat paper ropes together. Finally they are to be cut into flat paper handles.

Main Technical Parameters

Model
Paper Roll Core Diameter
Max. Paper Roll Diameter
Paper Patch Length
Paper Patch Width
Handle Width
Flat Rope Width
Flat Rope Length
Flat Paper Rope Roll Width
Max. Production Speed
Power Requirements
Total Power
Total Weight
Overall Dimension

RYSB-100B
Ф76mm (3'')
Ф1000mm
150mm or 190mm
40mm
80mm
12mm
360mm
45mm
6000pairs/hour
380V, 3 phases, 5 wires
10KW
2000kg
L5600mm×W1400mm×H1800mm

Note: the parameters above are not absolute; operator's skills, temperature, moisture, material and size of paper, categories and quality of glue can affect production speed, rejection rate, and applicable range of machine.

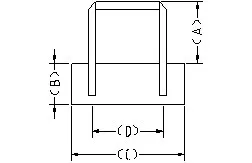
Handle size

A:Handle Length: 100 mm

B:Patch Width:  40mm

C:Patch Length: 150mm or 190mm

D:Handle Width: 80mm

Features

Hot-melt Glue System is adopted for pasting handle rope and handle patch together. Note that Water Glue System is not available because water glue can't become dry fast.

Patch length is fixed at 150mm or 190mm. This size can't be changed any more on the machine because the main structure for making flat handle is fixed.

Optional Components

Automatic paper handle gluing function (water glue) speeds up subsequent paper bag processing.

Finished sample:

Electric Configuration List

model 
name 
qty.
supplier
1
Hot-melt Glue System
1set
China Kamis/Huangshang
2
Gear Motor
1pcs
Taiwan Longbang
3
Frequency Converter
1pcs
China Alpha

Parameters

Power
3 phases, 380V±10%, 50 Hz
Compressed Air
pressure: 0.6 MPa
volume: approx. 0.5 m3/h
oil and humidity: ≯8 mg/m3

Installation Height
Max. altitude: 1500 m
Ambient Requirement
relative moisture: Max. 65% when 40 ℃
temperature range: 10~40 ℃

Note: due to the availability of imported components and special requirements of customized machines, with the precondition that the machine performance is not influenced, the machine specification may be changed without notice in advanced.
Certificate
Company
VIEW MORE