MachineryOffers

Three phase SCR Thyristor power controller in PFC 400V60Kvar

Product details
Rated voltage:400V;Port:Shanghai Port;
Rated Frequemcey:50Hz;Rated capacity:60Kvar;
Supply Ability:80000 Piece/Pieces per Year;Payment Terms:L/C,D/A,D/P,T/T;
Delivery Detail:Shipped in 10 days after payment;Packaging Detail:standard pallet suitable for long distance transportations;
Product Description

Products maintenance.


Grenerally thyristor swiches are maintenances-free. But nevertheless some points have to be repected :
a)Thyristor switches, equipped with fan,have to be checked for the correct fan function every 2 years, if a fan is defective ,it has to be replaced by the original part. Using another fan with less air flow can cause over overheating and this can destroy the thyristors.
b)Generally;the heat sink have to be cleaned regulary, because the cooling capacity can be reduced by pollution.

c)Pollution between the connections of the thyritors have also to be removed, because of this leakage distances are reduced. This can cause a voltage flashover.   




          Power
Nominal voltage
230~660V 50/60Hz
Nominal current
75A
Capacity
60Kvar
Drive current
≤30mA
Recovery time
<20ms

   


 Firing unit
Auxiliary voltage
From power circuit
Voltage level of
DC10~12v
Consumption trigger signal
≤30mA -at12vDC
Temperature range
-25℃--55℃
Overtemperature petection
80℃ at heatsingk






Common Data
Weight/ kg
4.1
Dimensions L*W*H/mm
160*175*202
cooling
AN and fan
Protection rank
IP30
Humidity
10-95% without moisture condensation
Fan power
20W
Life
Above 15 years
Max.Altitude
3000m above level
Ambient temperature
-25℃-+55℃
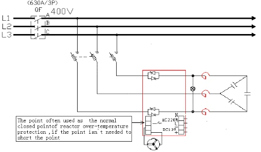
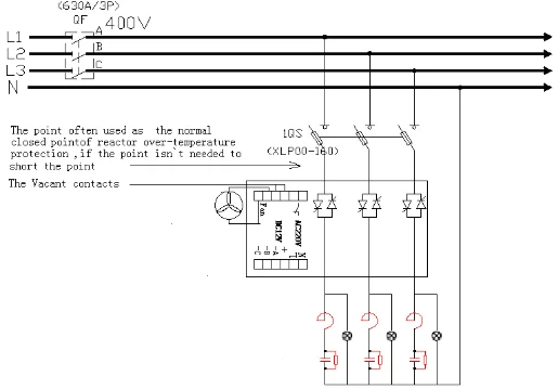
Connection drawing

The schematic diagram of the three-phase compensating together


Note: the capacitor switching light wiring methods:
1, for three-phase compensation switch is connected to the output of the A, C, between, as shown in Figure 1 as shown in shown , the choice of AC or AC-DC 380V series indicator;
For single-phase compensation switch connected between the output of the A, B, C three-phase with the N line, as shown in Figure 2, the choice of AC or AC-DC 220V series indicator.

Our Company


Our team & Expo
Packing & Delivery
Our Service

1. OEM Manufacturing welcome: Product, Package...
2. Sample order
3. We will reply you for your inquiry in 24 hours.
4. after sending, we will track the products for you once every two days, until you get the products. When you got the
goods, test them, and give me a feedback.If you have any questions about the problem, contact with us, we will offer
the solve way for you.

FAQ

Q1. What is your terms of packing?
A: Generally, we pack our goods in neutral white boxes and brown cartons. If you have legally registered patent,
we can pack the goods in your branded boxes after getting your authorization letters.

Q2. What is your terms of payment?
A: T/T 30% as deposit, and 70% before delivery. We'll show you the photos of the products and packages
before you pay the balance.

Q3. What is your terms of delivery?
A: EXW, FOB, CFR, CIF, DDU.

Q4. How about your delivery time?
A: Generally, it will take 30 to 60 days after receiving your advance payment. The specific delivery time depends
on the items and the quantity of your order.

Q5. Can you produce according to the samples?
A: Yes, we can produce by your samples or technical drawings. We can build the molds and fixtures.

Q6. What is your sample policy?
A: We can supply the sample if we have ready parts in stock, but the customers have to pay the sample cost and
the courier cost.

Q7. Do you test all your goods before delivery?
A: Yes, we have 100% test before delivery

Q8: How do you make our business long-term and good relationship?
A:1. We keep good quality and competitive price to ensure our customers benefit ;
2. We respect every customer as our friend and we sincerely do business and make friends with them,
no matter where they come from.

VIEW MORE